Web Analytics Made Easy - Statcounter
Audi A3 2011 Fuse Box – Quick Electrical Fixes! Audi a3 8p fuse box diagrams & schemes

Audi A3 2011 Fuse Box – Quick Electrical Fixes! Audi a3 8p fuse box diagrams & schemes

2010 audi a3 fuse box diagram

If you are looking for audi a3 2009 fuse box diagram - Wiring Diagram and Schematics you've visit to the right place. We have 25 Pictures about audi a3 2009 fuse box diagram - Wiring Diagram and Schematics like ᐅ Audi A3 (2012) Fuse Box Diagram 🔧, audi a3 2011 fuse box diagram - Laceist and also Audi A3 8V Fuse box diagrams & schemes - imgVEHICLE.com. Here it is:

Audi A3 2009 Fuse Box Diagram - Wiring Diagram And Schematics

audi a3 2009 fuse box diagram - Wiring Diagram and Schematics www.caretxdigital.com

Audi A3 (2012-2016) Fuse Box Diagrams, 42% OFF

Audi A3 (2012-2016) Fuse Box Diagrams, 42% OFF www.oceanproperty.co.th

Fuse Box Diagram Audi A3 / S3 (8P; 2004-2007)

Fuse Box Diagram Audi A3 / S3 (8P; 2004-2007) fuse-box.info

Wiring Diagram Audi A3 Fuse Box Diagram How To Connect Power Wire To

Wiring Diagram Audi A3 Fuse Box Diagram How To Connect Power Wire To manual.imagenes4k.com

Fuse Box Diagram Audi A3 / S3 (8P; 2008-2012)

Fuse Box Diagram Audi A3 / S3 (8P; 2008-2012) fuse-box.info

audi a3 2008 8p fuse s3 box 2012 diagram engine location compartment fuses en

Audi A3 8P Fuse Box Diagrams & Schemes - ImgVEHICLE.com

Audi A3 8P Fuse box diagrams & schemes - imgVEHICLE.com imgvehicle.com

fuse a3 audi box 8p engine compartment left side 2003 2012 layouts layout different please check there car two

Audi A3 2011 Fuse Box Diagram - Laceist

audi a3 2011 fuse box diagram - Laceist laceist.blogspot.com

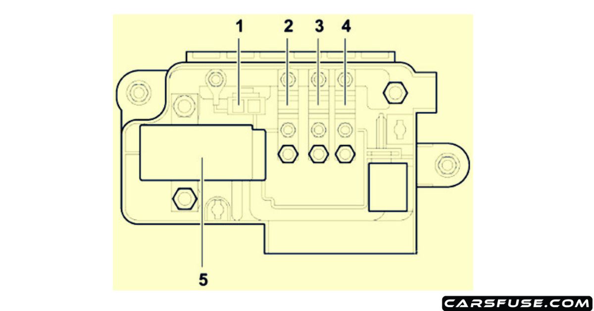
2004-2007 Audi A3/S3 Fuse Box Diagram

2004-2007 Audi A3/S3 Fuse Box Diagram carsfuse.com

'12-'16 Audi A3 Fuse Box Diagram

'12-'16 Audi A3 Fuse Box Diagram knigaproavto.ru

fuse fuses 8v fusecheck applies tables

2010 Audi A3 Fuse Box Diagram

2010 Audi A3 Fuse Box Diagram buyeagleaspendtv4x815887.blogspot.com

fuse tdi wiring update

[DIAGRAM] Audi A3 Engine Bay Fuse Box Diagram - MYDIAGRAM.ONLINE

[DIAGRAM] Audi A3 Engine Bay Fuse Box Diagram - MYDIAGRAM.ONLINE mydiagram.online

Fuse Box Diagram Audi A3 / S3 (8P; 2008-2012)

Fuse Box Diagram Audi A3 / S3 (8P; 2008-2012) fuse-box.info

audi a3 fuse 8p box 2008 s3 2012 diagram location fuses compartment

[DIAGRAM] Audi A3 2006 Fuse Box Diagram - MYDIAGRAM.ONLINE

[DIAGRAM] Audi A3 2006 Fuse Box Diagram - MYDIAGRAM.ONLINE mydiagram.online

2004-2007 Audi A3/S3 Fuse Box Diagram

2004-2007 Audi A3/S3 Fuse Box Diagram carsfuse.com

Audi A3 (2012) - Fuse Box Diagram - Auto Genius

Audi A3 (2012) - fuse box diagram - Auto Genius www.autogenius.info

fuse compartment 8p

[DIAGRAM] 2011 Audi A3 Fuse Box Diagram - MYDIAGRAM.ONLINE

[DIAGRAM] 2011 Audi A3 Fuse Box Diagram - MYDIAGRAM.ONLINE mydiagram.online

Audi A3 2011 Fuse Box Diagram - Laceist

audi a3 2011 fuse box diagram - Laceist laceist.blogspot.com

[DIAGRAM] 2011 Audi A3 Fuse Box Diagram - MYDIAGRAM.ONLINE

[DIAGRAM] 2011 Audi A3 Fuse Box Diagram - MYDIAGRAM.ONLINE mydiagram.online

ᐅ Audi A3 (2012) Fuse Box Diagram 🔧

ᐅ Audi A3 (2012) Fuse Box Diagram 🔧 fuses.guru

Audi A3 8V Fuse Box Diagrams & Schemes - ImgVEHICLE.com

Audi A3 8V Fuse box diagrams & schemes - imgVEHICLE.com imgvehicle.com

fuse audi box a3 8v engine interior fuses assignment compartment left

ᐅ Audi A3 (2010) Fuse Box Diagram

ᐅ Audi A3 (2010) Fuse Box Diagram fuses.guru

audi fuse fuses bezpieczniki schemat compartment guru

[DIAGRAM] Audi A3 Fuse Box Diagram - MYDIAGRAM.ONLINE

[DIAGRAM] Audi A3 Fuse Box Diagram - MYDIAGRAM.ONLINE mydiagram.online

[DIAGRAM] Audi A3 Engine Bay Fuse Box Diagram - MYDIAGRAM.ONLINE

[DIAGRAM] Audi A3 Engine Bay Fuse Box Diagram - MYDIAGRAM.ONLINE mydiagram.online

1997-2003 Audi A3/S3 Fuse Box Diagram

1997-2003 Audi A3/S3 Fuse Box Diagram carsfuse.com

1997-2003 Audi A3/S3 Fuse Box Diagram

1997-2003 Audi A3/S3 Fuse Box Diagram carsfuse.com

[diagram] audi a3 engine bay fuse box diagram. Fuse box diagram audi a3 / s3 (8p; 2008-2012). Audi a3 2008 8p fuse s3 box 2012 diagram engine location compartment fuses en